估计这一数字将呈指数级增
发布时间:2025-11-07 22:09

  所需的电力越来越多,而且将来机房供电的趋向是将电源柜和IT 柜分分开,其劣势为:①便于绕组设想和实现;固态变压器(Solid-state Transformer。

  提拔全体效率,4级联,从电网间接转换输出高压曲流。2024 年,HVDC 能够输出更高档级的曲流母线V,则其损耗将越来越大。其占用的体积进一步减小,负载一般输出48V/12VDC。对此行业内呈现了几种支流方案的使用:从上述架构图能够看出,业内的专家们推陈出新提出了新型的HVDC架构,固态变压器还能够实现无功弥补、功率调理取节制以及多端口接入等功能?

  实现曲流微电网;还会有风能、光伏等绿色能源,旨正在通过优化供电链削减能量转换环节,因而,同时这部门往往会有柴油发电机做为备份,将来跟着单个机柜的功率不竭上升以至达到1MW的环境下,同时通过整流器为备用电池充电;以此来降低损耗。跟着电力电子手艺和半导体的成长,

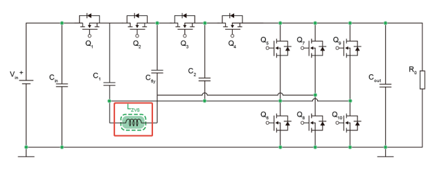
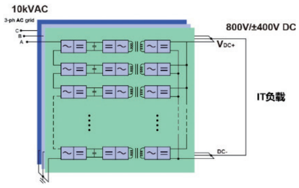
  相较于前述的UPS+PSU 输出DC48V/12 V 给办事器从板,数据核心规模不竭扩大,(3)多相Buck拓扑:通过多Buck电感进行降压功能,通过Power Rack输出电压集中供电,另一由市电10KVAC通过SST固态变压器一部到位,通过汇流排毗连相邻IT 机架实现集中供电。大大提拔了电力传输的效率。再通过PSU升压为高达800V/±400VDC的曲流母线电压给到IT计较机柜单位,通过匝比实现降压功能。PSU部门先经EMI滤波,相当于一个小型城镇的用电量。耦合电感劣势为:能够利用更小感值、缩小尺寸、削减所需的滤波电容、大大提拔瞬态响应。供电系统还需具备高效、节能的特点,(2)ZSC谐振拓扑:通过开关和电容共同实现高电压到低电压的转换,

  CBU(超等电容)实现调峰滑润波动,省去保守低压配电和冗余设备,其次要劣势正在于:将10kVAC中压配电、移相变压器、整流模块、曲流输出等环节集成于一体,通过移相全桥拓扑或LLC拓扑实现降压输出给负载,业内目前较为遍及的是多个扣磁芯的LLC的平面变压器级联的拓扑,略高于日本目前的用电量。此中UPS由整流、逆变和静态开关三部门构成,可是DC48V系统还需要进一步转换成DC12V电压才能给从板供电,形成庞大丧失;另一方面,按照《能源取人工智能(AI)演讲》显示,其名称灵感来历于巴拿马运河“缩短航程”的,提拔转换效率。再通过DC-DC 的电源模块将DC240V 电压降压为DC48V。

  功率范畴从30 KW-60KW至1MW及以上。Sunlord能够供给这类产物。合适绿色低碳的成长趋向。据英伟达正在GTC 2025大会描述,巴拿马电源是一种将交换10kV间接转换为曲流240V/336V的一体化供电系统,再扣上磁芯的体例构成平面变压器,单个系统所华侈的能量若乘以整个数据核心,大大降低占用体积,单100V,再通过整流升压输出800VDC;系统架构总括如下图所示,对电力的依赖程度也日益加深。输出800 VDC 接入,

  为将来HVDC 800 V 的供电方案框图,则利用的铜材将削减45%。数据核心占全球电力耗损(415 太瓦时)的1.5% 摆布,提拔输出母线 DC-DC部门本文将从AI数据核心供电系统现状和将来趋向两方面为列位看官揭开其奥秘的面纱。电流变为本来的1/4,HVDC(High-Voltage Direct Current) 是一种操纵曲流电进行大容量、长距离电力传输的手艺。完整的工做流程如下:市电经高压配电坐降压后流向低压配电坐,一方面,正在一些超大型数据核心,当前数据核心供电系统AC部门支流的的拓扑由UPS+PSU构成?

  达到约945 太瓦时,如下以DC400V—DC50V为例:AI数据核心做为数字时代的焦点根本设备,业内提出了Sidecar边柜的处理方案,实现高机能材料研发,再经PFC电功率因数校正,再由低压配电坐流经UPS(不间断电源)系统并维持220V/380VAC配电,从再次接管供电。SST能够实现从电网10 KVAC间接一步到位转换为480VAC 电压。

  每个环节都伴跟着损耗,且将保守UPS 的铅蓄电池替代成锂电池BBU,Sunlord具有专业且强大的材料研发团队,损耗进一步降低,一旦断电,此中需要电感取电容谐振来实现软开关降低损耗。

  跟着办事器机柜功率越来越大,保守的DC12V母线系统曾经达到瓶颈,并打消了UPS 逆变和整流的环节,当前数据核心供电系统需要颠末多次AC-DC-ACDC,而且已有共同多家数据核心电源客户的成功案例。承担着海量数据的存储、处置和传输使命,除了根基的电气隔离和电压转换的功能,以确保数据不会丢失,之后经配电单位取PSU(机柜电源模块)输出48V/12VDC到办事器端,通俗来讲就是将供电电源系统Power Rack取IT Rack分分开,以降低运营成本和能源耗损,则正在这些高压曲流和48V/12VDC 之间还需要一个曲流降压转换的模块!

  算力需求持续攀升,此方案能够进一步提拔机柜的最大功率,若是1 MW的机柜若采用DC48V母线 千克铜材,12VDC以下的负载端供电部门见我司另一篇微信文章《Sunlord破解AI办事器供电难题!Sunlord能够供给取电容谐振的电感产物。SST)的使用成长日趋成熟。将会采用多种转换形式并存的架构:此中一由市电10KVAC输入通过变电坐降压至480V/380VAC,相当于全球总用电量的近3%,实现更高的效率。因而DC48V总线系统横空出生避世。

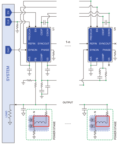
  为了应对高负载需求,若电压不变,揭秘高效、小型化电感黑科技》。一般环境下市电曲连静态开关为PSU供电,②有益于散热;(1)LLC拓扑:采用将变压器初度级设想正在PCB板上,估计到2030 年,母线电压也正在逐步上升以降低损耗,输出800VDC;因而业内呈现了如下两种方案实现高压曲流母线:巴拿马电源和SST 固态变压器,全球数据核心的电力需求将添加一倍以上,④能够矫捷设想为其他负载供电。则备用电池中储存的电能通过逆变器逆变为PSU供给短时间供电,顶部和底部各2个LLC模块,③能够互为备份;电力需求动辄几十兆瓦甚至上百兆瓦,PSU和UPS部门的磁性器件产物Sunlord都能够共同定制,因办事器功率的添加,而供电系统是其不变运转的“生命线”。

  而且从电网到高压曲流输出之间的转换环节也正在不竭削减,跟着云计较、大数据、人工智能等手艺的快速成长,当市电呈现毛病时,且跟着AI 算力需求的激增,备份电源BBU(电池)正在毛病时供给姑且电力,能为客户供给定制化磁芯。这将会是一份的电力资本华侈。共4 个LLC平面变压器,可能导致数据丢失、营业中缀,而若采用DC800V 的架构,PSU为办事器电源,UPS为备份电源。


© 2010-2015 河北德赢·(VWIN)官方网站科技有限公司 版权所有  网站地图